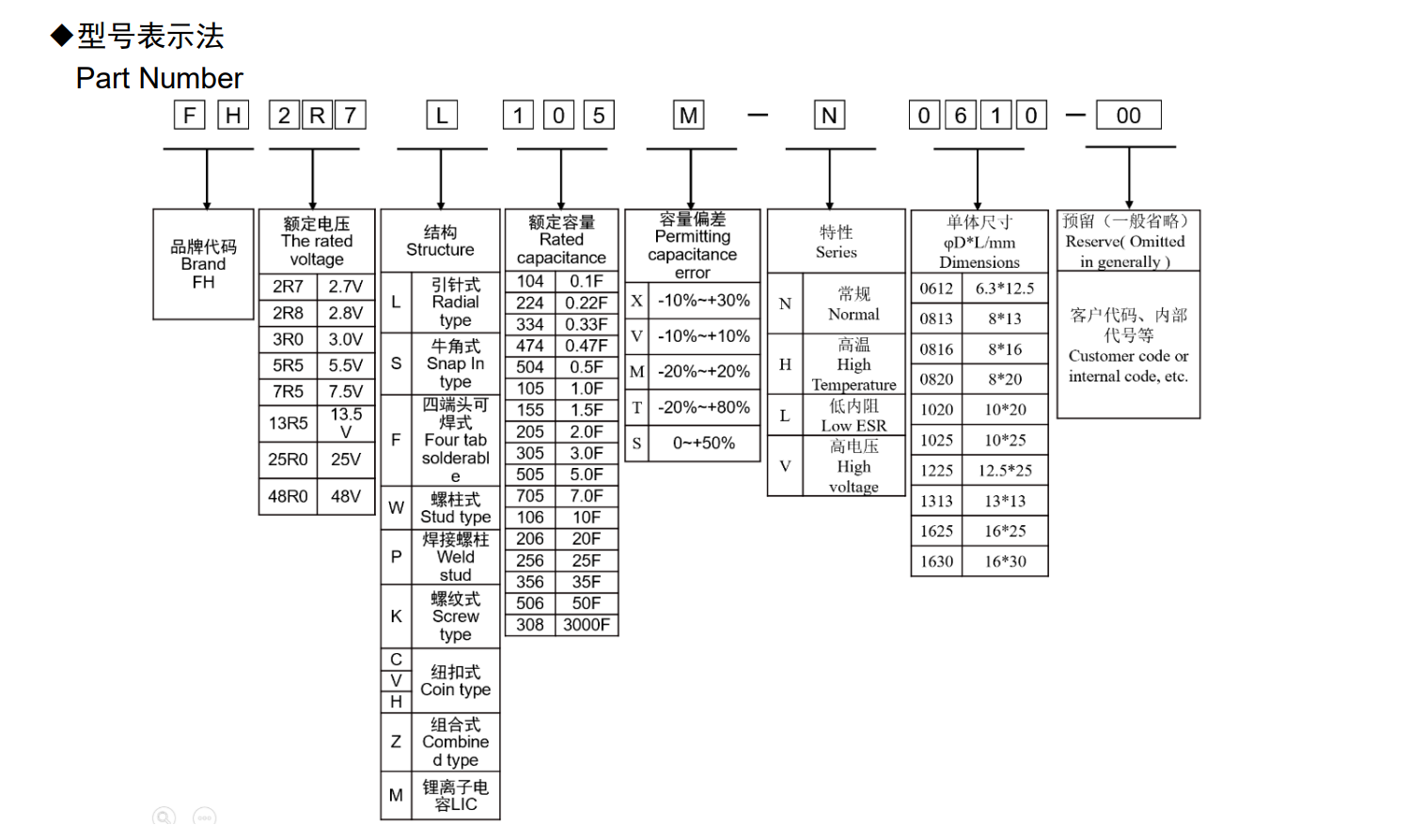
■高温系列圆柱型超级电容器

◆特征
* 内阻低,功率密度高
* 自放电率小,72 小时自放电<20%
*优异的循环寿命,库仑效率达 95%以上
*工作温度范围宽;
*绿色环保,满足 RoHs 要求
◆应用
* 智能仪表、行车记录仪、照明灯具、智能家居、工业控制;
* 税控收款机、数码相机、电动工具、电动玩具、备用电源;
*无线节能鼠标、无线手写板、SSD 固态硬盘、医疗设备。






东莞市超翔电子有限公司
地址:广东省东莞市长安镇上沙北横街8号
联系人:何先生
电话:0769-85325266
手机:13712101206
■高温系列圆柱型超级电容器◆特征* 内阻低,功率密度高* 自放电率小,72 小时自放电<20%*优异的循环寿命,库仑效率达 95%以上*工作温度范围宽;*绿色环保,满足 RoHs 要求◆应用* 智能仪表、行车记录仪、照明灯具、智能家居、工业控制;* 税控收款机、数码相机、电动工具、电动玩具、备用电源;*无线节能鼠标、无线手写
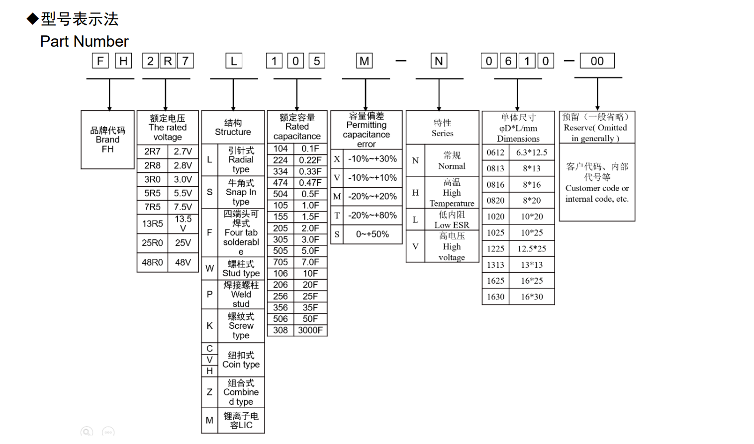
■高温系列圆柱型超级电容器

◆特征
* 内阻低,功率密度高
* 自放电率小,72 小时自放电<20%
*优异的循环寿命,库仑效率达 95%以上
*工作温度范围宽;
*绿色环保,满足 RoHs 要求
◆应用
* 智能仪表、行车记录仪、照明灯具、智能家居、工业控制;
* 税控收款机、数码相机、电动工具、电动玩具、备用电源;
*无线节能鼠标、无线手写板、SSD 固态硬盘、医疗设备。





